PPT-20/25/30/40
NOVELTEK
在當前追求物流自動化與作業效率最大化的時代,搬運設備的性能直接決定了倉庫的吞吐能力。恆智重機(NOVELTEK)推出的 PPT 系列自走式全電動拖板車,涵蓋從 2.0 噸到 4.0 噸的完整載重規格。這不僅是一台搬運車,更是結合了人體工學、高強度結構與智慧安全防護的重型轉運中心解決方案。
無論是在大型分選中心進行長距離移動,還是在精密廠房中進行窄道作業,PPT 系列都能以其卓越的平穩性與耐久度,成為企業最堅實的後盾。
重型搬運最核心的挑戰在於路面的不平整。PPT 系列在車體內部加裝了 三個強效避震彈簧:
動態位移補償: 驅動輪可因載貨重量產生的壓力進行高達 45mm 的上下位移,確保輪胎與地面始終保持最佳接觸面積。
壓力分散技術: 當裝載重物時,避震系統能將壓力合理分散至平衡輪上,避免車身晃動。這不僅保護了貨物,更讓方向操控桿在全負載狀態下依然保持輕巧靈活。
動力是重型拖板車的心臟。PPT 系列配置了 1.5kW 的高性能行走馬達:
強勁爬坡力: 即使在滿載狀態下,爬坡力仍可達 9%,輕鬆應對倉庫坡道或月台接駁。
全電動操作: 實現載人自走,大幅降低人力體操負荷,讓員工將精力集中於理貨作業而非推拉重物。
恆智重機深知工安的重要性,為 PPT 系列配備了多項安全技術:
倒車自動安全開關: 操控桿頂端設有防撞開關,一旦感應到與操作員碰撞,車輛會立即自動反向行駛,防止人員擠壓。
電磁彈簧壓力剎車: 當操控桿處於垂直或水平位置時,感應器會自動啟動剎車。這種「死人開關」設計確保車輛在任何突發狀況下都能穩穩停住。
側邊平衡輪: 車後左右各設有一個平衡輪,增加高速行駛或轉彎時的穩定度,避免車體晃動導致貨物傾倒。

針對大型倉庫的長距離搬運需求,PPT 系列配備了高品質的 折疊式踏板:
減少疲勞: 站立式操作能避免作業人員長時間步行的勞累。
空間彈性: 在狹小空間(如進入貨梯或狹窄貨架)時,可將踏板收起,縮短車長,獲得更小的迴轉半徑。
安全護欄(選配): 在高車速行進時,可選配折疊式護欄,為操作員提供更全面的支撐與保護。
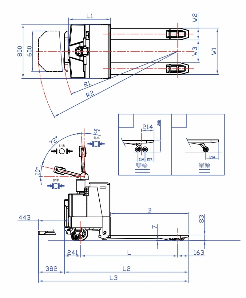
設計精巧的操控桿支持 185 度靈活轉向,即使是載重 4 噸的怪獸機型,在狹窄通道中依然能操控自如。短把手設計不僅符合人體工學,更縮短了操作半徑,讓轉向不佔空間。
項目 | PPT-20 | PPT-25 | PPT-30 | PPT-40 |
載重能力 | 2,000 kg | 2,500 kg | 3,000 kg | 4,000 kg |
行走馬達 | 1.5 kW | 1.5 kW | 1.5 kW | 1.5 kW |
爬坡能力 | 9% (滿載) | 9% (滿載) | 8.5% (滿載) | 8% (滿載) |
轉向角度 | 185 度 | 185 度 | 185 度 | 185 度 |
結構材質 | 高等級鋼板焊接 | 高等級鋼板焊接 | 重型強化鋼板 | 超重型強化鋼板 |
無鉛 PU 烤漆: 全車採用高級環保烤漆,抗銹能力強,即使在潮濕環境下也能長期保持美觀與耐用。
蹺蹺板式雙前輪: 貨叉前端採用四輪結構,能分散荷重壓力,不僅提升載重上限,也更適應磨損路面。
長壽命產業電瓶: 高容量設計,充電 8 小時可穩定運轉一整天,電瓶使用壽命長達 5 年以上。
PPT 系列強大的適應力讓它在多個領域都有卓越表現:
食品與冷鏈物流:
可選配 零下 35°C 冷凍專用車型,針對特殊低溫環境進行電子零件與液壓油的防凍優化,是生鮮物流的首選。
電子與生技產業:
提供 無塵室專用車型,低產塵設計與特殊輪胎配置,符合潔淨環境作業規範。
重工業製造:
PPT-40 超大載重能力,能應對大型模具、鋼鐵零件或重型機械的廠內轉運。
我們提供多樣化的參數調整,包括貨叉外寬、長度(可選 1450mm 以上)、最低離地高度(65mm/75mm),以及針對特殊棧板設計的止回裝置,請務必與我們的業務專員詳細諮詢。
Q1:PPT 系列的避震彈簧對維修會有影響嗎?
A:完全不會。我們的避震系統採模組化設計,耐用度極高。這種設計反而因為減少了車體受到的直接衝擊,進而延長了內部電控零件與馬達的使用壽命。
Q2:這台車可以同時拖運單面和雙面棧板嗎?
A:是的。PPT 系列的貨叉設計在升降時不帶動電瓶結構,因此具有更好的操作餘裕,能廣泛兼容各種規格的單、雙面棧板。
Q3:操作 PPT 系列需要特殊的證照嗎?
A:根據台灣現行法規,操作 1 噸以上之堆高機(包含自走式電動拖板車)建議人員需經過相關安全教育訓練,以確保作業現場的安全性。
Q4:為什麼 PPT-40 值得投資?
A:市場上少有能穩定搬運 4 噸以上的全電動拖板車。PPT-40 採用加厚鋼板結構,能有效取代昂貴且體積龐大的大型堆高機,在有限的預算內提升重物搬運能力。
如果您正在尋找一台 平穩、安全、且具備極高性價比 的重型全電動拖板車,恆智重機 PPT 系列將是您的最佳答案。我們在台灣苗栗總部研發製造,提供最即時的零件供應與售後服務。
聯繫專員: 針對您的倉庫動線提供專業配置建議。
客製服務: 超長貨叉、超寬貨叉、或特殊塗裝需求,一通電話為您解決。
恆智重機股份有限公司 (NOVELTEK)
總部地址: 台灣苗栗市水源里水流娘 16-1 號
服務電話: +886-37-220741
傳真電話: +886-37-226152